Hersteller

DLS 24/20-460B.20.0/5059

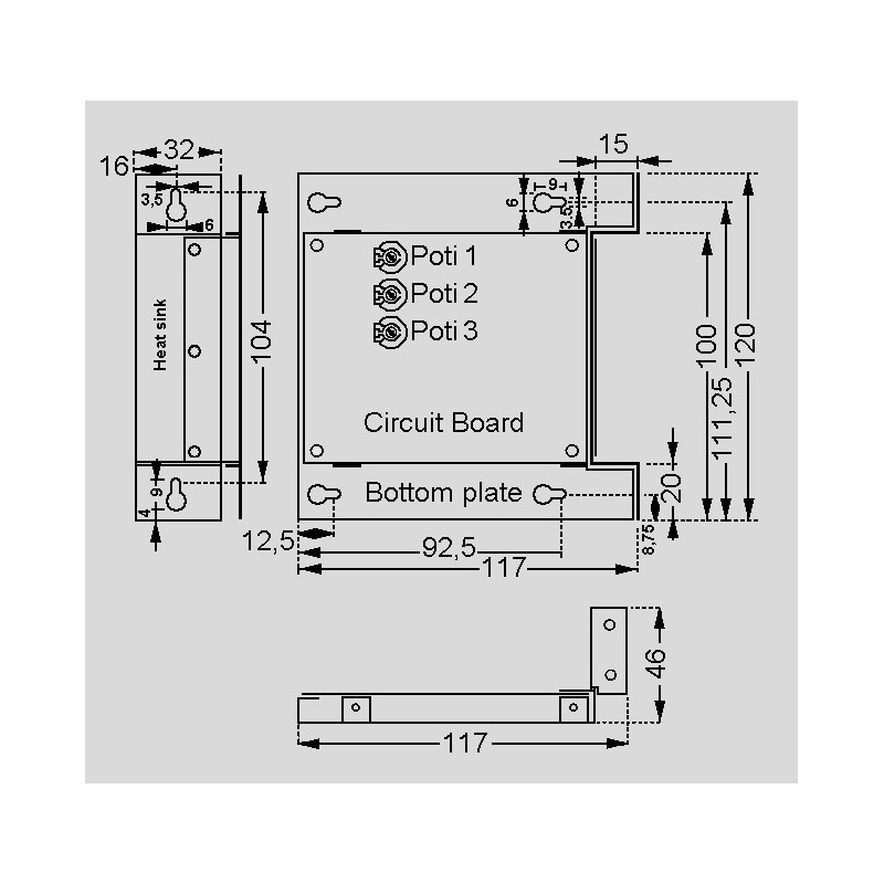
digitaler Drehzahlregler Serie DLS 24/20-460B von EPH

• lastunabhängiger digitaler 1-Quadranten-Transistorgleichstromregler
• Vorgabe Drehzahl-Soll-Wert über Poti oder Fremdspannung
• Drehzahl-Soll-Wert intern/extern über Jumper vorwählbar
• Ankerspannung max. 12V DC, max. 24V DC über Jumper vorwählbar
• Strombegrenzung über Poti einstellbar

 
• Ankerspannungsrückführung EMK mit IxR Kompensation
• Eingangsspannung 12 bis 36V DC
• Ankerspannung 0-12/0-24V DC
• Anschluss Federzugklemme 6/4-polig
• Schutzart IP00
• Hersteller: EPH

DLS 24/20-460B.20.0/5059

38335 DLS 24/20-460B.20.0/5059 460B.20.0/5059 460B.20.0/5059 digitaler Drehzahlregler Serie DLS 24/20-460B von EPH. • lastunabhängiger digitaler 1-Quadranten-Transistorgleichstromregler• Vorgabe Drehzahl-Soll-Wert über Poti oder Fremdspannung• Drehzahl-Soll-Wert intern/extern über Jumper vorwählbar• Ankerspannung max. 12V DC, max. 24V DC über Jumper vorwählbar• Strombegrenzung über Poti einstellbar  • Ankerspannungsrückführung EMK mit IxR Kompensation• Eingangsspannung 12 bis 36V DC• Ankerspannung 0-12/0-24V DC• Anschluss Federzugklemme 6/4-polig• Schutzart IP00• Hersteller: EPH

Technische Daten

Hersteller
Herstellerbezeichnung 460B.20.0/5059
Nennstrom [A] 20
Datenblatt

Stückpreis

207,89 €

Lagerbestand: 0
Weitere Lieferung:
KW 24/2026