Hersteller

TRC S 2,5 k

Kohleschicht-Trimmer CA6XH von ACP

* stehend
* Widerstandselement aus plastischem Kohlefilm über hochflexibler leitender Folie (Kohleschichttrimmer)
* vollgekapseltes Gehäuse verhindert das Eindringen von Staub, Kolophonium oder anderer schädlicher Stoffe
* verwendete Kunststoffe sind gegen Reinigungslösungen widerstandsfähig und schwerentflammbar nach Brennbarkeitsklasse HB gemäß UL94
* Leistung: 0,1W
* Grenzspannung: 100V
* Widerstandstoleranz: ±20%
* Betriebstemperaturbereich: -25...+70°C
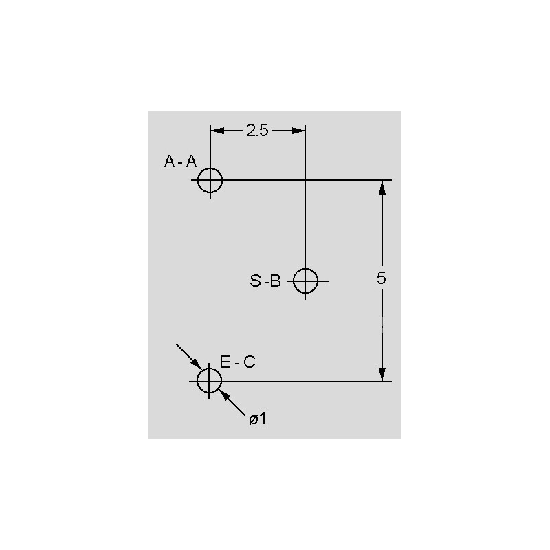
* Gehäuseabmessungen: 6,5x6,5mm
* Rastermaß: 5x2,5mm
* erforderliche Printbohrung (Ø): 1mm

TRC S 2,5 k

16057 TRC S 2,5 k CA6XH2,5-2K5RA2020 CA6XH2,5-2K5RA2020 Kohleschicht-Trimmer CA6XH von ACP. * stehend* Widerstandselement aus plastischem Kohlefilm über hochflexibler leitender Folie (Kohleschichttrimmer)* vollgekapseltes Gehäuse verhindert das Eindringen von Staub, Kolophonium oder anderer schädlicher Stoffe* verwendete Kunststoffe sind gegen Reinigungslösungen widerstandsfähig und schwerentflammbar nach Brennbarkeitsklasse HB gemäß UL94* Leistung: 0,1W* Grenzspannung: 100V* Widerstandstoleranz: ±20%* Betriebstemperaturbereich: -25...+70°C* Gehäuseabmessungen: 6,5x6,5mm* Rastermaß: 5x2,5mm* erforderliche Printbohrung (Ø): 1mm

Technische Daten

Hersteller
Herstellerbezeichnung CA6XH2,5-2K5RA2020
Widerstand [Ω] 2,5k
Leistung, max. [W] 0,1
Datenblatt

Stückpreis

0,117 €

Lagerbestand: 3032
Weitere Lieferung:
KW 06/2026

Mindestbestellmenge
1 bis 32 Stück bzw. ein Vielfaches von 100 plus 0 bis 32 .