Hersteller

TRBA L 25 k

Kohleschicht-Trimmer CA9(M)V von ACP

• Leistung: 0,15 Watt
• Serie: CA9(M)H, liegend
• Achse: Sechskant
• Hersteller: ACP
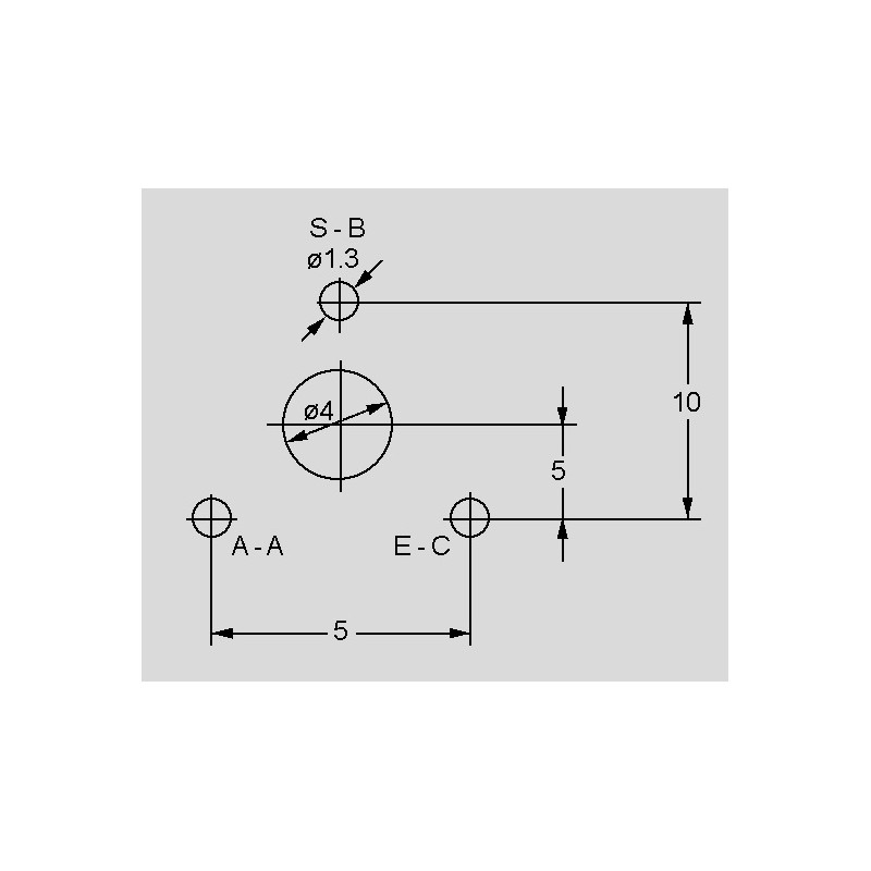
• Rastermaß: 5x10mm
• Widerstandselement aus plastischem Kohlefilm über hochflexibler leitender Folie (Kohleschichttrimmer)
• widerstandsfähig gegen Feuchtigkeit und mechanische Beanspruchung
• vollgekapseltes Gehäuse verhindert das Eindringen von Staub, Kolophonium oder anderer schädlicher Stoffe.
• Metallteile aus Nichteisenmetallen verhindern Ωxidationen und steigern die Lötbarkeit.
• sehr guter Kontakt zwischen Anschlüssen und Substrat reduziert den Kontaktwiderstand.
• verwendete Kunststoffe sind gegen Reinigungslösungen widerstandsfähig und schwerentflammbar nach Brennbarkeitsklasse HB gemäß UL94.
• sehr weicher, geschmeidiger Lauf des Schleifers über die gesamte Spur
• rechteckige Form ermöglicht automatisches Einsetzen
• Doppelkontaktschleifer in Mittelstellung im Auslieferzustand
• Zeigerposition an aufgedruckter Skala ablesbar
• Kurvenform: linear, entspr. DIN 41450-1-4-5
• Belastbarkeit (TU = 40°C): 0,15W
• Grenzspannung: 200V
• Widerstandstoleranz 100Ω...1MΩ: ±20%
• Widerstandstoleranz >1MΩ...5MΩ: ±30%
• Restwiderstand (lin): =5x10-3Ω oder 2Ω
• Betriebstemperaturbereich: -25...+70°C
• Drehwinkel mechanisch: 240 ±5°
• Drehwinkel elektrisch: 220 ±20°
• Drehmoment (= Betätigungskraft): 0,4...2Ncm
• Anschlagfestigkeit, max.: 5Ncm
• Breite x Höhe: 9,8x10mm
• erforderliche Bohrung (Ø): 1,3mm
• Widerstandswert in Klartext

• Definition der Anschlüsse
A - A = Anfang
S - B = Schleifer
E - C = Ende

TRBA L 25 k

42805 TRBA L 25 k CA9MV10-25KA2020 CA9MV10-25KA2020 Kohleschicht-Trimmer CA9(M)V von ACP. • Leistung: 0,15 Watt• Serie: CA9(M)H, liegend• Achse: Sechskant• Hersteller: ACP• Rastermaß: 5x10mm• Widerstandselement aus plastischem Kohlefilm über hochflexibler leitender Folie (Kohleschichttrimmer)• widerstandsfähig gegen Feuchtigkeit und mechanische Beanspruchung• vollgekapseltes Gehäuse verhindert das Eindringen von Staub, Kolophonium oder anderer schädlicher Stoffe.• Metallteile aus Nichteisenmetallen verhindern Ωxidationen und steigern die Lötbarkeit.• sehr guter Kontakt zwischen Anschlüssen und Substrat reduziert den Kontaktwiderstand.• verwendete Kunststoffe sind gegen Reinigungslösungen widerstandsfähig und schwerentflammbar nach Brennbarkeitsklasse HB gemäß UL94.• sehr weicher, geschmeidiger Lauf des Schleifers über die gesamte Spur• rechteckige Form ermöglicht automatisches Einsetzen• Doppelkontaktschleifer in Mittelstellung im Auslieferzustand• Zeigerposition an aufgedruckter Skala ablesbar• Kurvenform: linear, entspr. DIN 41450-1-4-5• Belastbarkeit (TU = 40°C): 0,15W• Grenzspannung: 200V• Widerstandstoleranz 100Ω...1MΩ: ±20%• Widerstandstoleranz >1MΩ...5MΩ: ±30%• Restwiderstand (lin): =5x10-3Ω oder 2Ω• Betriebstemperaturbereich: -25...+70°C• Drehwinkel mechanisch: 240 ±5°• Drehwinkel elektrisch: 220 ±20°• Drehmoment (= Betätigungskraft): 0,4...2Ncm• Anschlagfestigkeit, max.: 5Ncm• Breite x Höhe: 9,8x10mm• erforderliche Bohrung (Ø): 1,3mm• Widerstandswert in Klartext• Definition der AnschlüsseA - A = AnfangS - B = SchleiferE - C = Ende

Technische Daten

Hersteller
Herstellerbezeichnung CA9MV10-25KA2020
Widerstand [Ω] 25k
Leistung, max. [W] 0,15
Datenblatt

Stückpreis

0,135 €

Lagerbestand: 4400
Weitere Lieferung:
KW 06/2026

Mindestbestellmenge
100 Stück bzw. ein Vielfaches von 100.