Hersteller

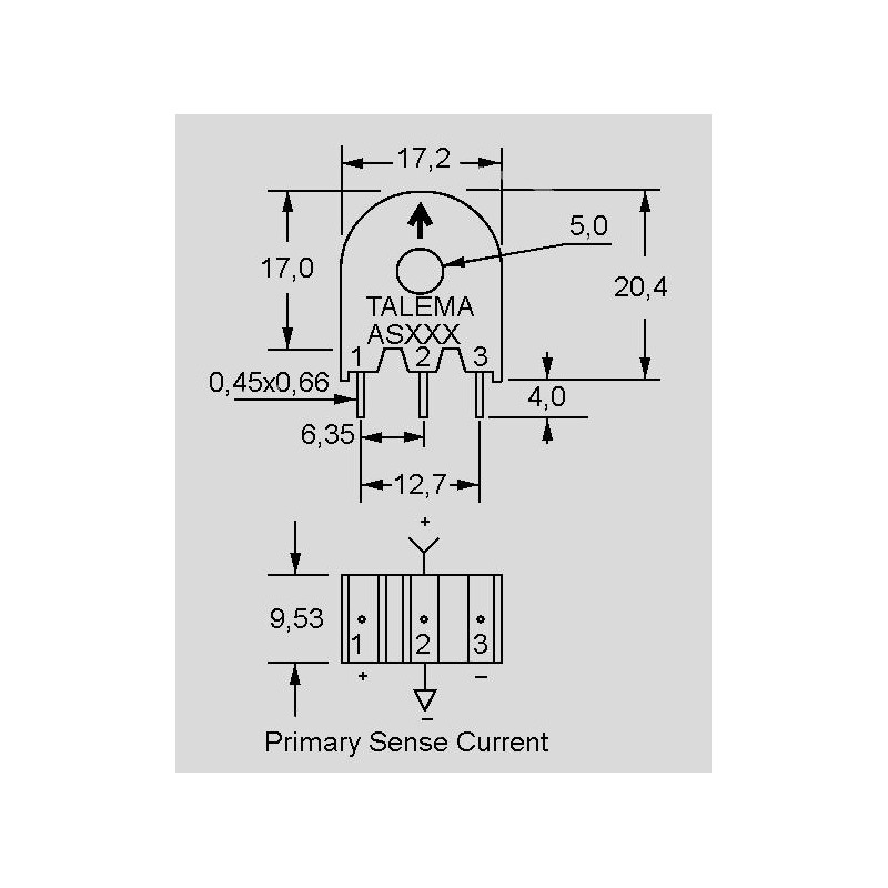
AS-102

Stromwandler für 20 bis 200 kHz

* für Printmontage
* Hersteller: Talema
* vergossen in Kunststoffbecher
* Durchstecköffnung für stromführenden Leiter
* Materialien flammhemmend nach UL94-V0
* zur Erfassung und Überwachung von Wechselströmen
* arbeiten nach dem Transformatorprinzip
* der stromführende Leiter induziert in der Wicklung des Stromsensors eine Spannung
* Messgenauigkeit kann über die Anzahl der Windungen des stromdurchflossenen Leiters erhöht werden
* Isolationsspannung (prim./sek.): 2500V AC
* Messfrequenz: 20...200kHz
* Temperaturbereich: -40...+120°C

AS-102

33907 AS-102 AS-102 Stromwandler für 20 bis 200 kHz. * für Printmontage* Hersteller: Talema* vergossen in Kunststoffbecher* Durchstecköffnung für stromführenden Leiter* Materialien flammhemmend nach UL94-V0* zur Erfassung und Überwachung von Wechselströmen* arbeiten nach dem Transformatorprinzip* der stromführende Leiter induziert in der Wicklung des Stromsensors eine Spannung* Messgenauigkeit kann über die Anzahl der Windungen des stromdurchflossenen Leiters erhöht werden* Isolationsspannung (prim./sek.): 2500V AC* Messfrequenz: 20...200kHz* Temperaturbereich: -40...+120°C

Technische Daten

Hersteller
Herstellerbezeichnung AS-102
Wicklungsinduktivität bei 10kHz und 10mV [mH] 100
Wicklungsverhältnis [A] 1 200
Abschlusswiderstand [Ω] 200
RL [Ω] x Isek [mA] 1/2F [Hz] [V] 700
RL [Ω] x Isek [mA] 1/2F [Hz] 700
Wicklungswiderstand [Ω] 4,5
Sekundärstrom [A] 75
Datenblatt

Stückpreis

1,76 €

Lagerbestand: 0
Nächster Wareneingang:
KW 10/2026
1000 Stk.


Weitere Lieferung:
KW 36/2026

Mindestbestellmenge
5 Stück bzw. ein Vielfaches von 5.