Hersteller

RKTV 30VA 2x12V

vergossene Ringkerntransformatoren 30VA von Talema

• Leistung: 30VA
• Primärspannung, ±10%: 1x230V
• vergossene Ausführung
• Hersteller: Talema


• Kupferverlust, typ. (120°C): 5W
• Kernverlust, typ.: 0,26W
• Leerlaufstrom, typ. (230V): 2,8mA
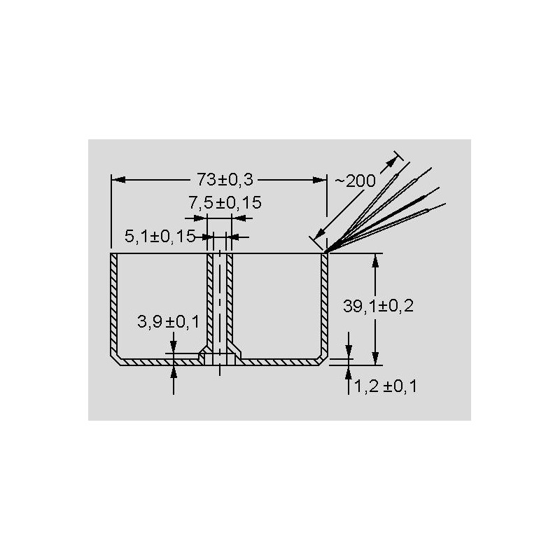
• Abmessungen: Ø73x39,1mm
• Gewicht: 0,5kg

RKTV 30VA 2x12V

33935 RKTV 30VA 2x12V 21201-P1S02K 21201-P1S02K vergossene Ringkerntransformatoren 30VA von Talema. • Leistung: 30VA• Primärspannung, ±10%: 1x230V• vergossene Ausführung• Hersteller: Talema • Kupferverlust, typ. (120°C): 5W• Kernverlust, typ.: 0,26W• Leerlaufstrom, typ. (230V): 2,8mA• Abmessungen: Ø73x39,1mm• Gewicht: 0,5kg

Auslaufartikel, nur noch der Lagerbestand verfügbar.

Technische Daten

Hersteller
Herstellerbezeichnung 21201-P1S02K
Sekundärspannung [V] 2x12
Datenblatt

Stückpreis

31,59 €

Lagerbestand: 10