Hersteller

593-0 120 R

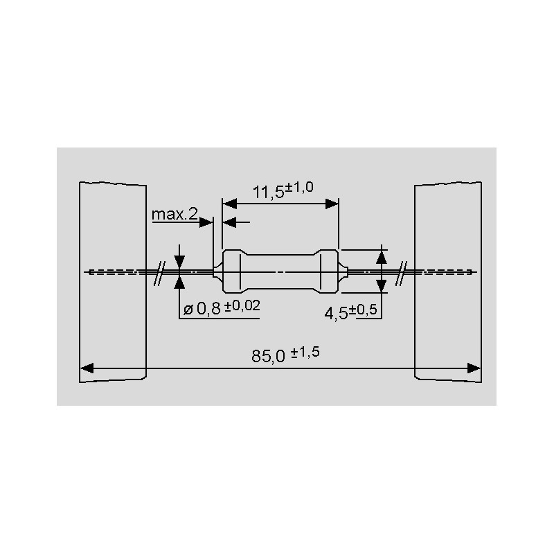
Metalloxidschicht Widerstände

• gegurtet
• robuste Metalloxidschicht
• kompakte Bauform
• Hochtemperatur-Isolation, nicht brennbar
• Widerstandstoleranz: ±5%
• Leistung (70°C): 2 Watt
• Betriebsspannung : 500Veff
• Wärmewiderstand, min.: 80K/W
• Isolationswiderstand: >1000MΩ
• Isolationsspannung (1Min): 500Veff
• Temperaturbereich: -55...+235°C

593-0 120 R

5731 593-0 120 R POS200JT-73-120RAA POS200JT-73-120RAA Metalloxidschicht Widerstände. • gegurtet• robuste Metalloxidschicht• kompakte Bauform• Hochtemperatur-Isolation, nicht brennbar• Widerstandstoleranz: ±5%• Leistung (70°C): 2 Watt• Betriebsspannung : 500Veff• Wärmewiderstand, min.: 80K/W• Isolationswiderstand: >1000MΩ• Isolationsspannung (1Min): 500Veff• Temperaturbereich: -55...+235°C

Technische Daten

Hersteller
Herstellerbezeichnung POS200JT-73-120RAA
Bauform 0414
Widerstand [Ω] 120
Leistung [W] 2
Toleranz [%] 5
Datenblatt

Stückpreis

0,073 €

Lagerbestand: 986
Nächster Wareneingang:
KW 06/2026
1000 Stk.


Weitere Lieferung:
KW 23/2026

Mindestbestellmenge
1 bis 86 Stück bzw. ein Vielfaches von 100 plus 0 bis 86 .