Hersteller

595-0 560 R

Metalloxidschicht Widerstände

• gegurtet
• robuste Metalloxidschicht
• kompakte Bauform
• Hochtemperatur-Isolation, nicht brennbar
• Widerstandstoleranz: ±5%
• Leistung (70°C): 1 Watt
• Betriebsspannung, max.: 500Veff
• Wärmewiderstand, min.: 125K/W
• Isolationswiderstand, max.: 1000MΩ
• Isolationsspannung (1Min): 500Veff
• Temperaturbereich: -55...+250°C

595-0 560 R

5911 595-0 560 R POS100JT-52-560RAA POS100JT-52-560RAA Metalloxidschicht Widerstände. • gegurtet• robuste Metalloxidschicht• kompakte Bauform• Hochtemperatur-Isolation, nicht brennbar• Widerstandstoleranz: ±5%• Leistung (70°C): 1 Watt• Betriebsspannung, max.: 500Veff• Wärmewiderstand, min.: 125K/W• Isolationswiderstand, max.: 1000MΩ• Isolationsspannung (1Min): 500Veff• Temperaturbereich: -55...+250°C

Technische Daten

Hersteller
Herstellerbezeichnung POS100JT-52-560RAA
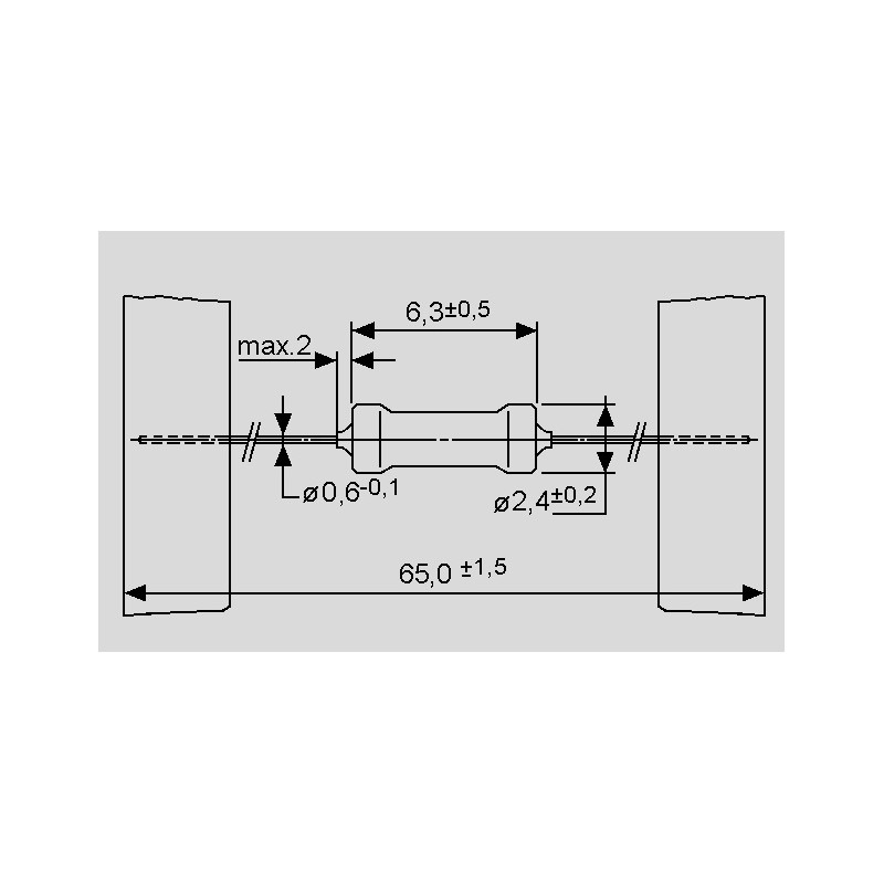
Bauform 0207
Widerstand [Ω] 560
Leistung [W] 1
Toleranz [%] 5

Stückpreis

0,0293 €

Lagerbestand: 4188
Weitere Lieferung:
KW 23/2026

Mindestbestellmenge
1 bis 88 Stück bzw. ein Vielfaches von 100 plus 0 bis 88 .