No products
View cart
Manufacturers
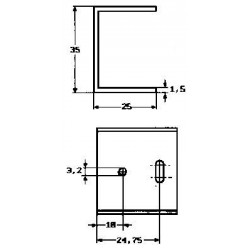
Various types of U-profile heatsinks made of 1,5mm thick aluminium (bare or black anodized) by Fischer.
Subcategories