Manufacturers

KB 303

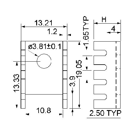
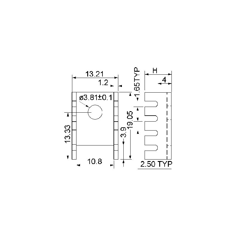
Assmann WSW heatsink series V723

  • U-profile finger-shaped aluminium heatsinks for TO220 housings, aluminium natural (KB_) or black anodised (KS_)
  • Mounting KB 301, KS 301, KB 302, KS 302, KB 303: punched hole Ø3,8
  • Mounting KB 301 LP, KB 302 LP, KS 303 LP: with solderpins

KB 303

13956 KB 303 V7236A V7236A Assmann WSW heatsink series V723. U-profile finger-shaped aluminium heatsinks for TO220 housings, aluminium natural (KB_) or black anodised (KS_) Mounting KB 301, KS 301, KB 302, KS 302, KB 303: punched hole Ø3,8 Mounting KB 301 LP, KB 302 LP, KS 303 LP: with solderpins

Specifications

manufacturer
Manufacturer's name V7236A
Height [mm] 6,35
Thermal resistance [K/W] 29

Unit price

0,261 €

Stock: 3725
Next incoming goods:
CW 36/2026
1250 units


Further delivery:
CW 37/2026

Minimum order quantity 25 units or
multiples of 25.