Manufacturers

KS 301

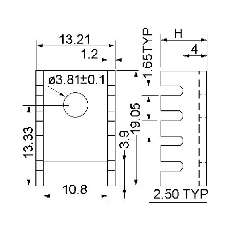
Assmann WSW heatsink series V723

  • U-profile finger-shaped aluminium heatsinks for TO220 housings, aluminium natural (KB_) or black anodised (KS_)
  • Mounting KB 301, KS 301, KB 302, KS 302, KB 303: punched hole Ø3,8
  • Mounting KB 301 LP, KB 302 LP, KS 303 LP: with solderpins

KS 301

13965 KS 301 V7236C1 V7236C1 Assmann WSW heatsink series V723. U-profile finger-shaped aluminium heatsinks for TO220 housings, aluminium natural (KB_) or black anodised (KS_) Mounting KB 301, KS 301, KB 302, KS 302, KB 303: punched hole Ø3,8 Mounting KB 301 LP, KB 302 LP, KS 303 LP: with solderpins

Specifications

manufacturer
Manufacturer's name V7236C1
Height [mm] 12,7
Thermal resistance [K/W] 21

Unit price

0,176 €

Stock: 2417
Next incoming goods:
CW 10/2026
13200 units


Further delivery:
CW 10/2026

Minimum order quantity 1 to 17 units or multiples of 100 plus 0 to 17 .