Manufacturers

KS 302

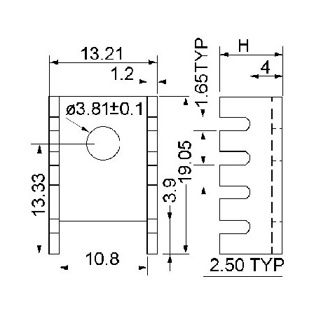
Assmann WSW heatsink series V723

  • U-profile finger-shaped aluminium heatsinks for TO220 housings, aluminium natural (KB_) or black anodised (KS_)
  • Mounting KB 301, KS 301, KB 302, KS 302, KB 303: punched hole Ø3,8
  • Mounting KB 301 LP, KB 302 LP, KS 303 LP: with solderpins

KS 302

13967 KS 302 V7236B1 V7236B1 Assmann WSW heatsink series V723. U-profile finger-shaped aluminium heatsinks for TO220 housings, aluminium natural (KB_) or black anodised (KS_) Mounting KB 301, KS 301, KB 302, KS 302, KB 303: punched hole Ø3,8 Mounting KB 301 LP, KB 302 LP, KS 303 LP: with solderpins

Specifications

manufacturer
Manufacturer's name V7236B1
Height [mm] 9,53
Thermal resistance [K/W] 24

Unit price

0,225 €

Stock: 1570
Next incoming goods:
CW 22/2026
3500 units


Further delivery:
CW 23/2026

Minimum order quantity 1 to 70 units or multiples of 100 plus 0 to 70 .