Manufacturers

IXTK 200 N 10 L2

Littelfuse MOSFET series IXFK and IXTK

  • power MOSFETs
  • in a TO264AA housing
  • HiPerFET™ / Polar™ / GigaMOS™

IXTK 200 N 10 L2

45851 IXTK 200 N 10 L2 IXTK200N10L2 IXTK200N10L2 Littelfuse MOSFET series IXFK and IXTK. power MOSFETs in a TO264AA housing HiPerFET™ / Polar™ / GigaMOS™

Specifications

manufacturer
Manufacturer's name IXTK200N10L2
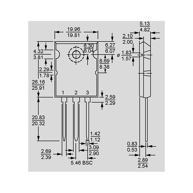
Case TO264AA
Max. drain-source voltage [V] 100
Max. drain-source on-resistance [Ω] 0,011
Turn-on delay time [ns] 40
Max. continuous drain current TC = 25°C [A] 200
Min. gate threshold voltage [V] 2
Turn-off delay time [ns] 127
Data Sheet

Unit price

42,99 €

Stock: 4
Next incoming goods:
CW 50/2026
25 units


Further delivery:
CW 10/2027