Manufacturers

TRB L 250 k

carbon trimmers CA9(M)V by ACP

• output: 0,15 W
• series: CA9(M)H, top adjustment
• shaft: arrow slot
• by ACP
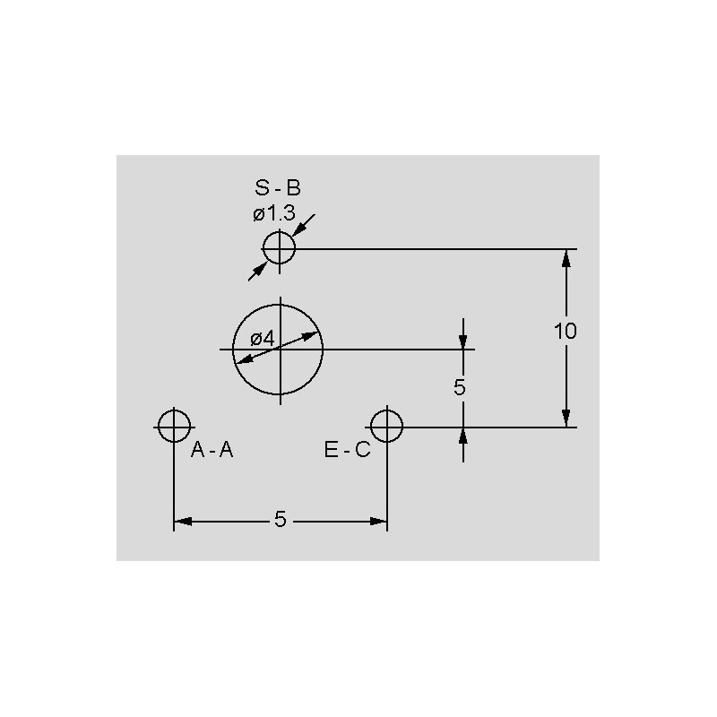
• pitch: 5x10mm
• plastic carbon film resistive element on an extra flexible conductive foil (carbon trimmer)
• resistant against humidity and corrosion
• fully sealed housing, dust and colophony proof, protected against harmful influences
• metal parts made from non-ferrous metal which prevents oxidation and increases solderability
• excellent contact between connectors and substrate, reduces contact resistance
• used plastics are resistant against cleaning solutions and self-extinguishable class HB according to UL94
• very soft, smooth movement of the wiper over the track
• rectangular form allows automatic use
• dual mid position contact wiper
• pointer position readable on scalar
• taper: linear according to DIN 41450-1-4-5
• power rating (TU = 40°C): 0.15W
• operating voltage, max.: 200V
• resistance tolerance 100Ω...1MΩ: ±20%
• resistance tolerance >1MΩ...5MΩ: ±30%
• residual resistance (lin): =5x10-3Ω or 2Ω
• temperature range: -25°...+70°C
• rotation mechanical: 240 ±5°
• rotation electrical: 220 ±20°
• torque (= operating force): 0.4...2Ncm
• stop torque, max.: 5Ncm
• width x height: 9.8x10mm
• necessary hole (Ø): 1.3mm
• resistance values in clear print

• terminal definition
A - A = start
S - B = wiper
E - C = end

TRB L 250 k

10441 TRB L 250 k CA9PV10-250KA2020 CA9PV10-250KA2020 carbon trimmers CA9(M)V by ACP. • output: 0,15 W• series: CA9(M)H, top adjustment• shaft: arrow slot• by ACP• pitch: 5x10mm• plastic carbon film resistive element on an extra flexible conductive foil (carbon trimmer)• resistant against humidity and corrosion• fully sealed housing, dust and colophony proof, protected against harmful influences• metal parts made from non-ferrous metal which prevents oxidation and increases solderability• excellent contact between connectors and substrate, reduces contact resistance• used plastics are resistant against cleaning solutions and self-extinguishable class HB according to UL94• very soft, smooth movement of the wiper over the track• rectangular form allows automatic use• dual mid position contact wiper• pointer position readable on scalar• taper: linear according to DIN 41450-1-4-5• power rating (TU = 40°C): 0.15W• operating voltage, max.: 200V• resistance tolerance 100Ω...1MΩ: ±20%• resistance tolerance >1MΩ...5MΩ: ±30%• residual resistance (lin): =5x10-3Ω or 2Ω• temperature range: -25°...+70°C• rotation mechanical: 240 ±5°• rotation electrical: 220 ±20°• torque (= operating force): 0.4...2Ncm• stop torque, max.: 5Ncm• width x height: 9.8x10mm• necessary hole (Ø): 1.3mm• resistance values in clear print• terminal definitionA - A = startS - B = wiperE - C = end

Specifications

manufacturer
Manufacturer's name CA9PV10-250KA2020
Resistance [Ω] 250k
Power, max. [W] 0,15
Data Sheet

Unit price

0,135 €

Stock: 4760
Further delivery:
CW 08/2026

Minimum order quantity 1 to 60 units or multiples of 100 plus 0 to 60 .