Manufacturers

EC12E24204A9

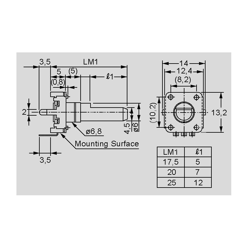
ALPS potentiometer series EC11 and EC12

  • vertical type incremental encoders
  • with a Ø6mm plastic (EC12_) resp. metal shaft (EC11_) 
  • suitable for SMD or THT mounting 
  • partly with a push-on switch (EC11E15244G1/EC12D1564402) 
  • rotation angle: 360° (mechanical)
  • rated voltage: 5VDC

EC12E24204A9

33167 EC12E24204A9 EC12E24204A9 ALPS potentiometer series EC11 and EC12. vertical type incremental encoders with a Ø6mm plastic (EC12_) resp. metal shaft (EC11_)  suitable for SMD or THT mounting  partly with a push-on switch (EC11E15244G1/EC12D1564402)  rotation angle: 360° (mechanical) rated voltage: 5VDC

Specifications

manufacturer
Manufacturer's name EC12E24204A9
Design THT
Operating temperature range [°C] -10...+70
Starting rated current [mA] 0,5
Features plain collar
Number of detend 24
Number of pulse 24
Data Sheet

Unit price

0,686 €

Stock: 4440
Further delivery:
CW 15/2026

Minimum order quantity 5 units or
multiples of 5.