Manufacturers

FS 0402 MK

Fagor thyristor series FS

  • thyristors
  • in various TO housings
  • forward current: 0,8 to 16A

FS 0402 MK

39259 FS 0402 MK FS0402MK 00BU FS0402MK 00BU Fagor thyristor series FS. thyristors in various TO housings forward current: 0,8 to 16A

Discontinued items. Only remainder of stock available.

Specifications

manufacturer
Manufacturer's name FS0402MK 00BU
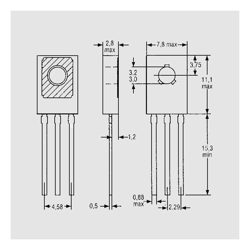
Case TO126
Non repetitive surge peak on-state current [A] 20
(Max.) peak recurrent reverse voltage [V] 600
Max. gate trigger current [mA] 0,2
(Max.) RMS forward current [A] 4
Data Sheet

Unit price

0,17 €

Stock: 22