Manufacturers

IDH 12 G 65C5

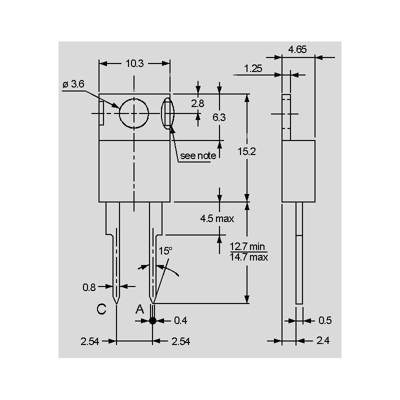
Infineon Schottky diode series IDH

  • SiC Schottky diodes
  • in a TO220AC housing
  • suitable for extremly fast switching
  • no forward resp. reverse recovery
  • operating temperature: -55 to +175°C

IDH 12 G 65C5

45473 IDH 12 G 65C5 IDH12G65C5XKSA2 IDH12G65C5XKSA2 Infineon Schottky diode series IDH. SiC Schottky diodes in a TO220AC housing suitable for extremly fast switching no forward resp. reverse recovery operating temperature: -55 to +175°C

Specifications

manufacturer
Manufacturer's name IDH12G65C5XKSA2
Case TO220AC
Reverse current [mA] 0,19
(Max.) peak recurrent reverse voltage [V] 650
Forward voltage [V] 1,7
(Max.) average forward (rectified) current [A] 12
Data Sheet

Unit price

1,92 €

Stock: 40
Further delivery:
CW 15/2026

Minimum order quantity 5 units or
multiples of 5.