Manufacturers

IRF 3710 ZS reel

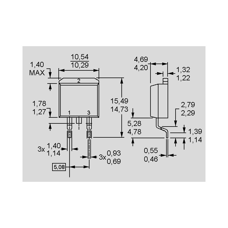
Infineon SMD MOSFET series IRF/IRFS/IRL/IRLS 

  • SMD power MOSFETs
  • in a D²Pak housing
  • International Rectifier HEXFET®
  • bulk and taped (IRF_/IRL_ reel)

IRF 3710 ZS reel

107384 IRF 3710 ZS reel IRF3710ZSTRLPBF IRF3710ZSTRLPBF Infineon SMD MOSFET series IRF/IRFS/IRL/IRLS . SMD power MOSFETs in a D²Pak housing International Rectifier HEXFET® bulk and taped (IRF_/IRL_ reel)

Specifications

manufacturer
Manufacturer's name IRF3710ZSTRLPBF
Case D²Pak
Design taped
Max. drain-source voltage [V] 100
Max. drain-source on-resistance [Ω] 0,018
Turn-on delay time [ns] 17
Max. continuous drain current TC = 25°C [A] 59
Min. gate threshold voltage [V] 2
Turn-off delay time [ns] 41
Data Sheet

Unit price

0,954 €

Stock: 990
Further delivery:
CW 10/2026

Minimum order quantity 10 units or
multiples of 10.