Manufacturers

IRFI 540 N

Infineon MOSFET series IRFI and IRLI

  • power MOSFETs
  • in a TO220-Fullpak housing
  • International Rectifier HEXFET®

IRFI 540 N

20344 IRFI 540 N IRFI540NPBF IRFI540NPBF Infineon MOSFET series IRFI and IRLI. power MOSFETs in a TO220-Fullpak housing International Rectifier HEXFET®

Specifications

manufacturer
Manufacturer's name IRFI540NPBF
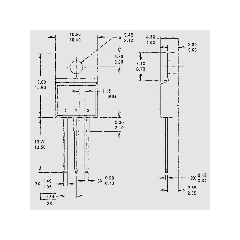
Case TO220-Fullpak
Max. drain-source voltage [V] 100
Max. drain-source on-resistance [Ω] 0,052
Turn-on delay time [ns] 8,2
Max. continuous drain current TC = 25°C [A] 20
Min. gate threshold voltage [V] 2
Turn-off delay time [ns] 44
Data Sheet

Unit price

0,805 €

Stock: 580
Further delivery:
CW 10/2026

Minimum order quantity 10 units or
multiples of 10.