Manufacturers

IRFIZ 44 N

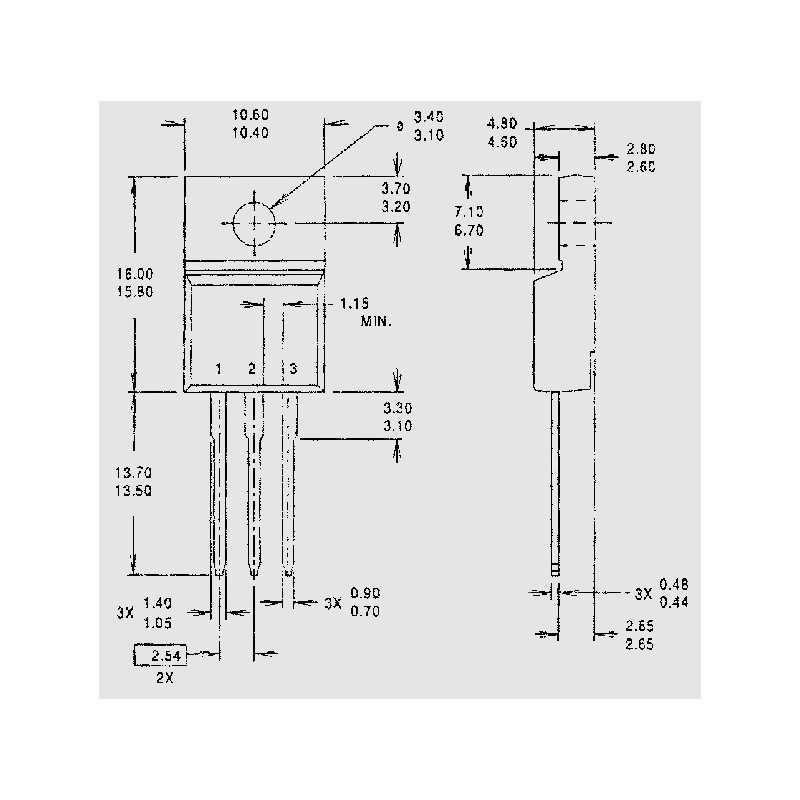
Infineon MOSFET series IRFI and IRLI

  • power MOSFETs
  • in a TO220-Fullpak housing
  • International Rectifier HEXFET®

IRFIZ 44 N

20360 IRFIZ 44 N IRFIZ44NPBF IRFIZ44NPBF Infineon MOSFET series IRFI and IRLI. power MOSFETs in a TO220-Fullpak housing International Rectifier HEXFET®

Discontinued items. Only remainder of stock available.

Specifications

manufacturer
Manufacturer's name IRFIZ44NPBF
Case TO220-Fullpak
Max. drain-source voltage [V] 55
Max. drain-source on-resistance [Ω] 0,024
Turn-on delay time [ns] 7,3
Max. continuous drain current TC = 25°C [A] 31
Min. gate threshold voltage [V] 2
Turn-off delay time [ns] 47
Data Sheet

Unit price

0,658 €

Stock: 1910

Minimum order quantity 10 units or
multiples of 10.