Manufacturers

IRFU 4510

Infineon MOSFET series IRFU and IRLU

  • power MOSFETs
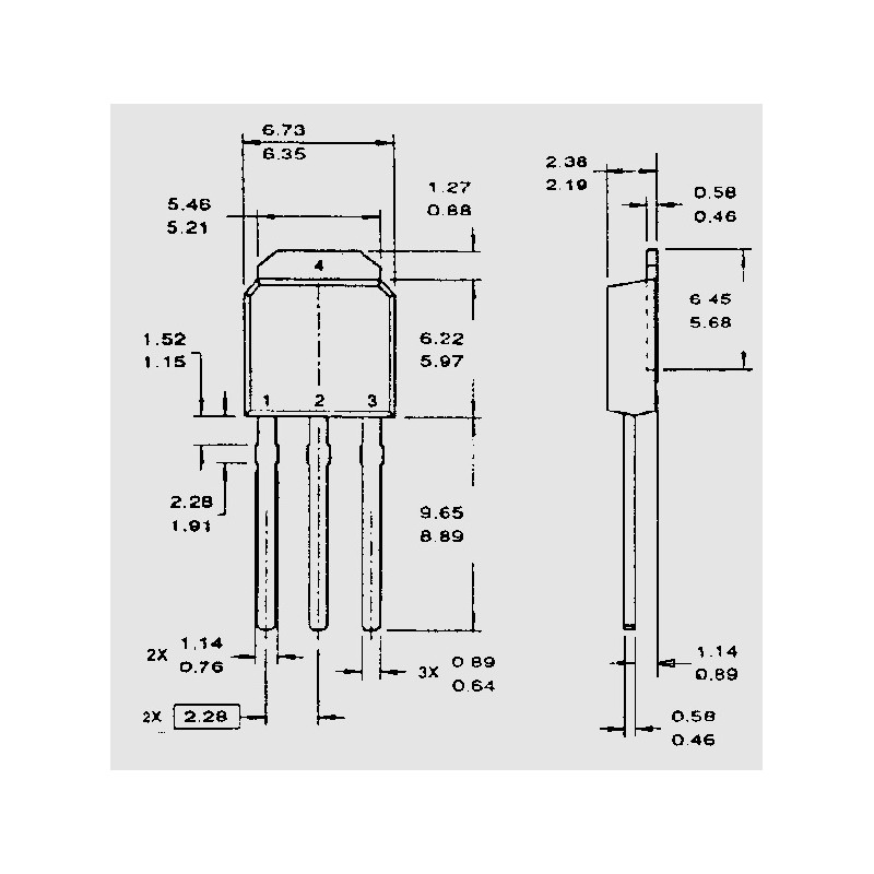
  • in a TO251AA housing
  • International Rectifier HEXFET®

IRFU 4510

42536 IRFU 4510 IRFU4510PBF IRFU4510PBF Infineon MOSFET series IRFU and IRLU. power MOSFETs in a TO251AA housing International Rectifier HEXFET®

Discontinued items. Only remainder of stock available.

Specifications

manufacturer
Manufacturer's name IRFU4510PBF
Case TO251AA
Max. drain-source voltage [V] 100
Max. drain-source on-resistance [Ω] 0,0139
Turn-on delay time [ns] 18
Max. continuous drain current TC = 25°C [A] 56
Min. gate threshold voltage [V] 2
Turn-off delay time [ns] 42
Data Sheet

Unit price

0,533 €

Stock: 225

Minimum order quantity 15 units or
multiples of 15.