Manufacturers

DSS 2X61-01 A

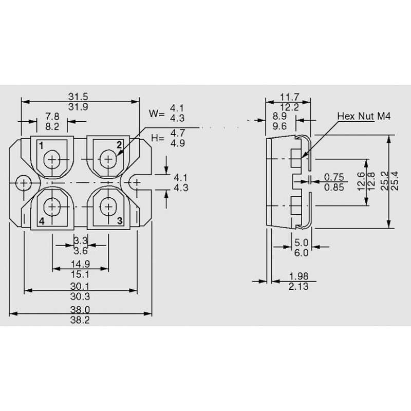
Schottky diodes, SOT227B-housing

* housing: SOT227B
* 80 to 320A
* very low forward voltage
* extremely low switching losses
* operating temperature range: -40...+150°C

DSS 2X61-01 A

25355 DSS 2X61-01 A DSS2X61-01A DSS2X61-01A Schottky diodes, SOT227B-housing. * housing: SOT227B* 80 to 320A* very low forward voltage* extremely low switching losses* operating temperature range: -40...+150°C

Specifications

manufacturer
Manufacturer's name DSS2X61-01A
Case SOT227B
Reverse current [mA] 2
(Max.) peak recurrent reverse voltage [V] 100
Forward voltage [V] 0,95
(Max.) average forward (rectified) current [A] 2x60
Data Sheet

Unit price

31,99 €

Stock: 0
Further delivery:
CW 52/2026