Manufacturers

IXFK 140 N 30 P

Littelfuse MOSFET series IXFK and IXTK

  • power MOSFETs
  • in a TO264AA housing
  • HiPerFET™ / Polar™ / GigaMOS™

IXFK 140 N 30 P

31580 IXFK 140 N 30 P IXFK140N30P IXFK140N30P Littelfuse MOSFET series IXFK and IXTK. power MOSFETs in a TO264AA housing HiPerFET™ / Polar™ / GigaMOS™

Specifications

manufacturer
Manufacturer's name IXFK140N30P
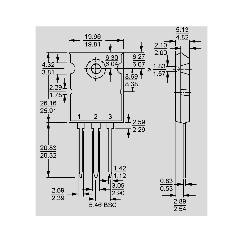
Case TO264AA
Max. drain-source voltage [V] 300
Max. drain-source on-resistance [Ω] 0,024
Turn-on delay time [ns] 30
Max. continuous drain current TC = 25°C [A] 140
Min. gate threshold voltage [V] 3
Turn-off delay time [ns] 100
Data Sheet

Unit price

22,39 €

Stock: 0
Further delivery:
CW 51/2026

Minimum order quantity 300 units or
multiples of 300.