Manufacturers

IXTK 120 N 25 P

Littelfuse MOSFET series IXFK and IXTK

  • power MOSFETs
  • in a TO264AA housing
  • HiPerFET™ / Polar™ / GigaMOS™

IXTK 120 N 25 P

45849 IXTK 120 N 25 P IXTK120N25P IXTK120N25P Littelfuse MOSFET series IXFK and IXTK. power MOSFETs in a TO264AA housing HiPerFET™ / Polar™ / GigaMOS™

Specifications

manufacturer
Manufacturer's name IXTK120N25P
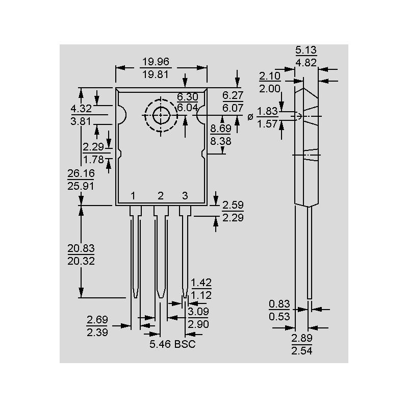
Case TO264AA
Max. drain-source voltage [V] 250
Max. drain-source on-resistance [Ω] 0,024
Turn-on delay time [ns] 30
Max. continuous drain current TC = 25°C [A] 120
Min. gate threshold voltage [V] 2,5
Turn-off delay time [ns] 130
Data Sheet

Unit price

14,99 €

Stock: 0
Further delivery:
CW 52/2026

Minimum order quantity 300 units or
multiples of 300.