Manufacturers

RD-35B

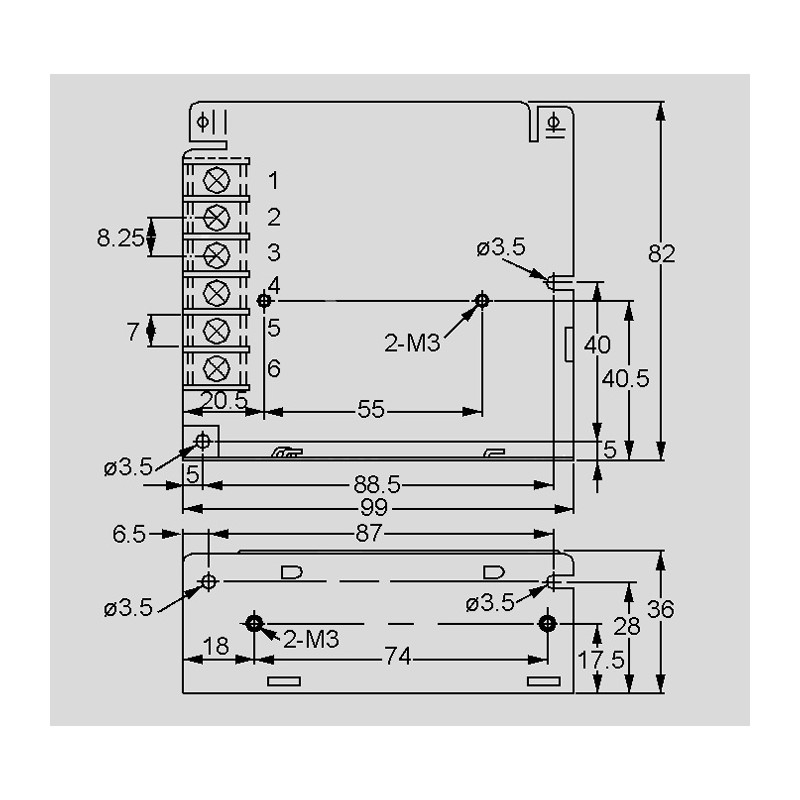
Mean Well power supply series RD-35

Switching power supplies in an enclosed housing with 35W, a universal input and screw terminals. These devices have long life caps and are protected against overload (auto recovery), overvoltage as well as short circuit. They are very efficient and comply with EN62368-1, EN55032 class B, EN61000-3-3 as well as EN61000-3-2. We offer the following types of this Mean Well series: RD-35A, RD-35B and RD-3513.

  • dual ouput
  • output: 32 to 35,1W
  • input voltage: 88 to 264V AC (47 to 63Hz), 125 to 373V DC
  • maximal input inrush current: 36A
  • leakage current: <2mA
  • overload protection: 110 to 150%
  • withstand voltage I/P-O/P: 3000V AC
  • withstand voltage I/P-FG: 2000V AC
  • withstand voltage O/P-FG: 500V AC
  • operating temperature: -25 to +70°C
  • weight: 300g

RD-35B

32347 RD-35B RD-35B 4711287433943 Mean Well power supply series RD-35. Switching power supplies in an enclosed housing with 35W, a universal input and screw terminals. These devices have long life caps and are protected against overload (auto recovery), overvoltage as well as short circuit. They are very efficient and comply with EN62368-1, EN55032 class B, EN61000-3-3 as well as EN61000-3-2. We offer the following types of this Mean Well series: RD-35A, RD-35B and RD-3513. dual ouput output: 32 to 35,1W input voltage: 88 to 264V AC (47 to 63Hz), 125 to 373V DC maximal input inrush current: 36A leakage current: &lt;2mA overload protection: 110 to 150% withstand voltage I/P-O/P: 3000V AC withstand voltage I/P-FG: 2000V AC withstand voltage O/P-FG: 500V AC operating temperature: -25 to +70°C weight: 300g

Specifications

manufacturer
Manufacturer's name RD-35B
GTIN 4711287433943
Output voltage [V] 5/24
Phase 2 phase
Efficiency [%] 82
Output current range [A] 0,3...4/0,2...1,3
Output voltage tolerance: [%] 2/5
Output power [W] 35
Ripple [mVp-p] 80/120
Output voltage adjustment [V] +10/-5
Data Sheet

Unit price

12,19 €

Volume discounts

Quantity Unit price
50 + 11,39 €

Stock: 649
Next incoming goods:
CW 30/2026
225 units


Further delivery:
CW 34/2026