Manufacturers

MBRS 1560 CT SMD

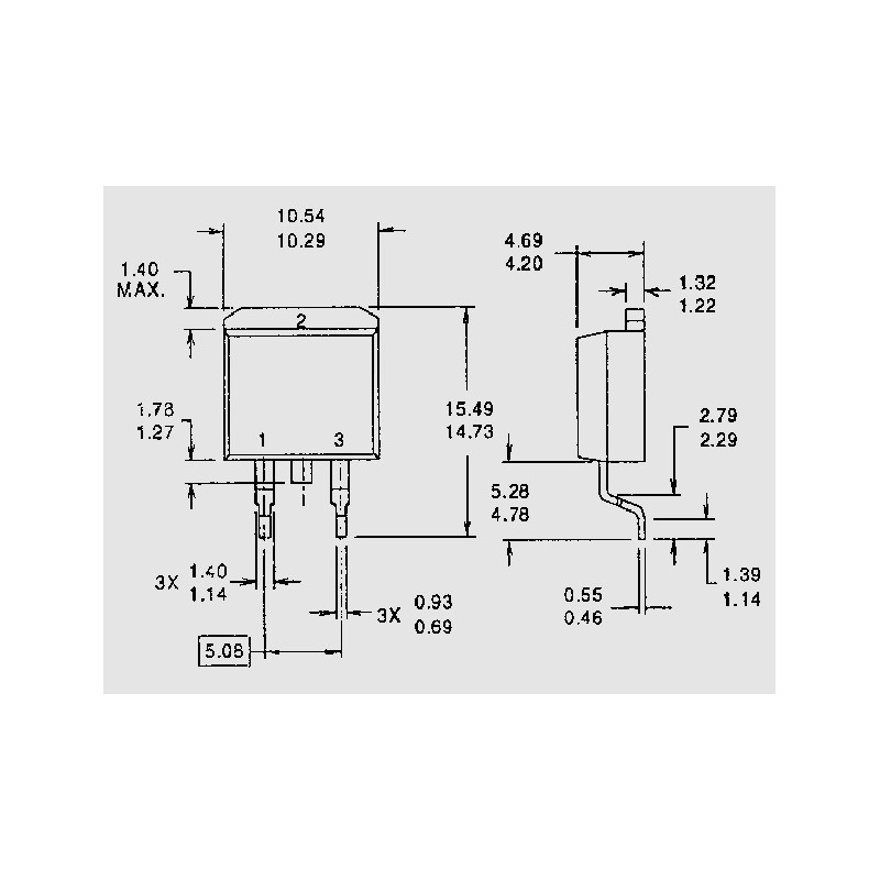
Taiwan Semiconductor Schottky diode series MBRS and SRAS

  • TSC SMD Schottky diodes
  • in a D²Pak housing
  • comply with UL94V-0
  • solderability: max. 260°C/10s

MBRS 1560 CT SMD

401 MBRS 1560 CT SMD MBRS1560CT MBRS1560CT Taiwan Semiconductor Schottky diode series MBRS and SRAS. TSC SMD Schottky diodes in a D²Pak housing comply with UL94V-0 solderability: max. 260°C/10s

Specifications

manufacturer
Manufacturer's name MBRS1560CT
Case D²Pak
Ripple Current (105°C, 100kHz) [mA] 1
(Max.) peak recurrent reverse voltage [V] 60
Forward voltage [V] 0,75
(Max.) average forward (rectified) current [A] 2x7,5
Data Sheet

Unit price

0,417 €

Stock: 3785
Next incoming goods:
CW 09/2026
6400 units


Further delivery:
CW 26/2026

Minimum order quantity 1 to 10 units or multiples of 25 plus 0 to 10 .