Manufacturers

MBRS 2060 CT SMD

Taiwan Semiconductor Schottky diode series MBRS and SRAS

  • TSC SMD Schottky diodes
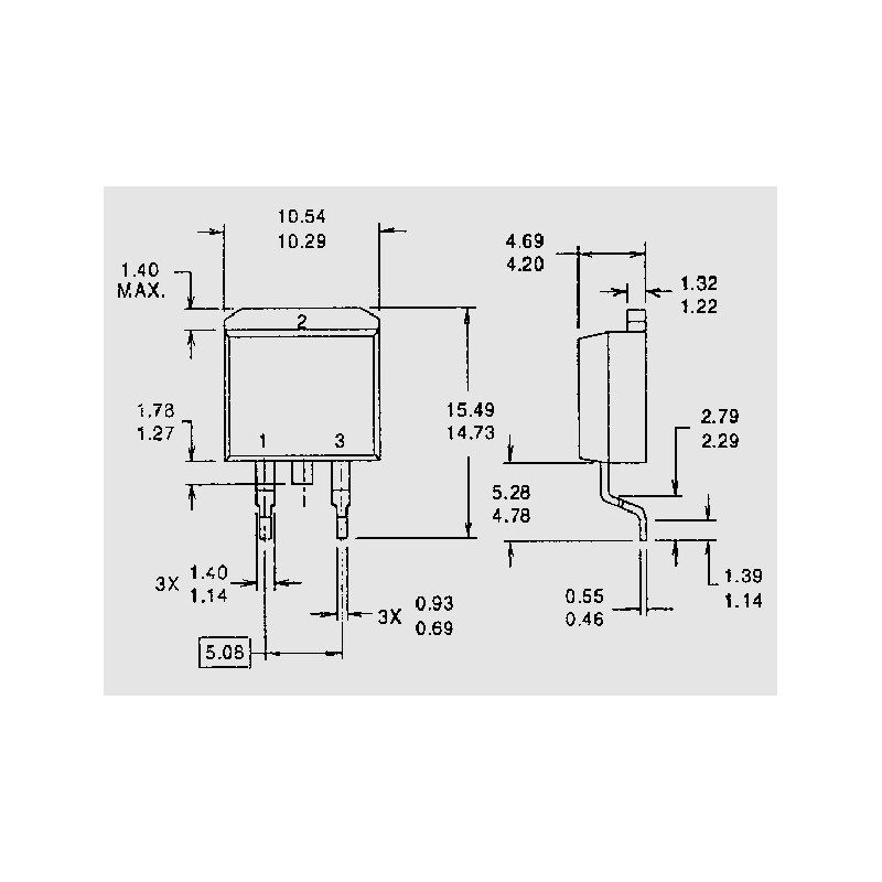
  • in a D²Pak housing
  • comply with UL94V-0
  • solderability: max. 260°C/10s

MBRS 2060 CT SMD

403 MBRS 2060 CT SMD MBRS2060CT MBRS2060CT Taiwan Semiconductor Schottky diode series MBRS and SRAS. TSC SMD Schottky diodes in a D²Pak housing comply with UL94V-0 solderability: max. 260°C/10s

Specifications

manufacturer
Manufacturer's name MBRS2060CT
Case D²Pak
Ripple Current (105°C, 100kHz) [mA] 0,15
(Max.) peak recurrent reverse voltage [V] 60
Forward voltage [V] 0,95
(Max.) average forward (rectified) current [A] 2x10
Data Sheet

Unit price

0,417 €

Stock: 9475
Further delivery:
CW 26/2026

Minimum order quantity 25 units or
multiples of 25.