Manufacturers

TS 35P05 G

bridge rectifiers 35A

* with heatsink
* series: TS35P_G by Taiwan Semiconductor
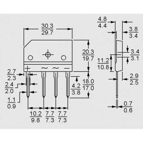
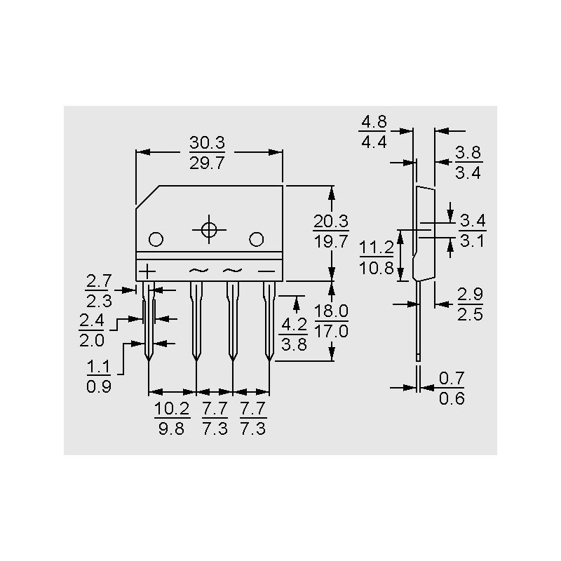
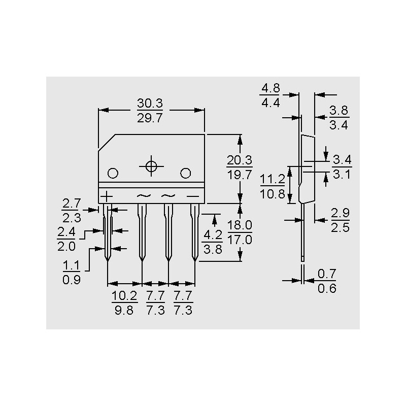
* case: In-Line, circular hole
* pin spacing: 7.5/10mm
* glass passivated
* plastic conforms to UL94V-0
* leads solderable per MIL-STD-202, meth. 208
* max. solderability 260°C/10s
* operating temperature range: up -55 to +150°C

TS 35P05 G

45901 TS 35P05 G TS35P05G TS35P05G bridge rectifiers 35A. * with heatsink* series: TS35P_G by Taiwan Semiconductor* case: In-Line, circular hole* pin spacing: 7.5/10mm* glass passivated* plastic conforms to UL94V-0* leads solderable per MIL-STD-202, meth. 208* max. solderability 260°C/10s* operating temperature range: up -55 to +150°C

Specifications

manufacturer
Manufacturer's name TS35P05G
Case In-Line
(Max.) peak recurrent reverse voltage [V] 600
Forward voltage [V] 1,1
Reverse current [µA] 10
(Max.) average forward (rectified) current [A] 35
(Max.) RMS voltage [V] 420
Data Sheet

Unit price

1,15 €

Stock: 0
Further delivery:
CW 41/2026

Minimum order quantity 1.200 units or
multiples of 1.200.