Manufacturers

TSM 480 P 06 CP

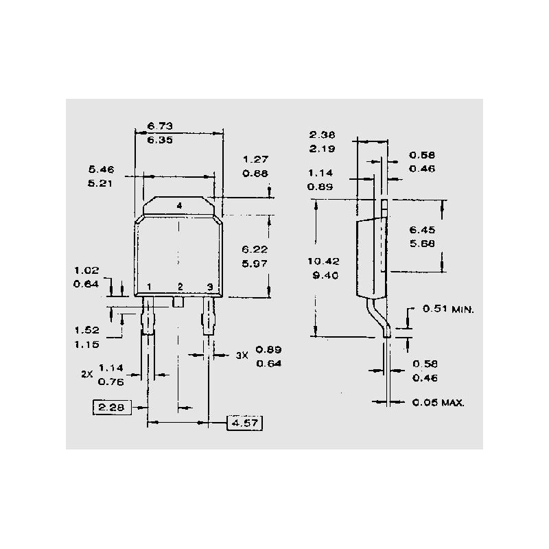
Taiwan Semiconductor MOSFET series TSM

  • TSC SMD power MOSFETs
  • in a TO252 housing
  • taped

TSM 480 P 06 CP

107490 TSM 480 P 06 CP TSM480P06CP ROG TSM480P06CP ROG Taiwan Semiconductor MOSFET series TSM. TSC SMD power MOSFETs in a TO252 housing taped

Specifications

manufacturer
Manufacturer's name TSM480P06CP ROG
Case TO252
Design taped
Max. drain-source voltage [V] 60
Max. drain-source on-resistance [Ω] 0,048
Turn-on delay time [ns] 13
Max. continuous drain current TC = 25°C [A] 20
Min. gate threshold voltage [V] 1,2
Turn-off delay time [ns] 64,6
Data Sheet

Unit price

0,311 €

Stock: 3950
Further delivery:
CW 37/2026

Minimum order quantity 25 units or
multiples of 25.