Manufacturers

BYW 29 E-150

Vishay rectifier diode series BYV and BYW

  • ultra fast rectifier diodes
  • in a TO220_ housing
  • glass passivated 
  • with low switching losses
  • forward current: 8A

BYW 29 E-150

272 BYW 29 E-150 BYW29-150-E3/45 BYW29-150-E3/45 Vishay rectifier diode series BYV and BYW. ultra fast rectifier diodes in a TO220_ housing glass passivated  with low switching losses forward current: 8A

Specifications

manufacturer
Manufacturer's name BYW29-150-E3/45
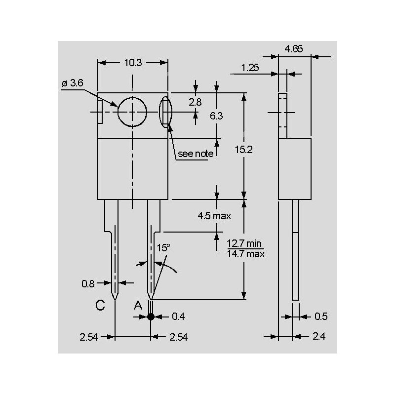
Case TO220AC
Peak forward surge current [A] 80
Max. reverse recovery time [ns] 25
(Max.) peak recurrent reverse voltage [V] 150
Forward voltage [V] 1,05
Reverse current [µA] 10
(Max.) average forward (rectified) current [A] 8

Unit price

0,43 €

Stock: 1759
Further delivery:
CW 02/2026

Minimum order quantity 1 to 9 units or multiples of 25 plus 0 to 9 .