Manufacturers

IRFI 740 G

Vishay MOSFET series IRFI

  • power MOSFETs
  • in a TO220-Fullpak housing
  • Vishay Siliconix®

IRFI 740 G

20349 IRFI 740 G IRFI740GPBF IRFI740GPBF Vishay MOSFET series IRFI. power MOSFETs in a TO220-Fullpak housing Vishay Siliconix®

Specifications

manufacturer
Manufacturer's name IRFI740GPBF
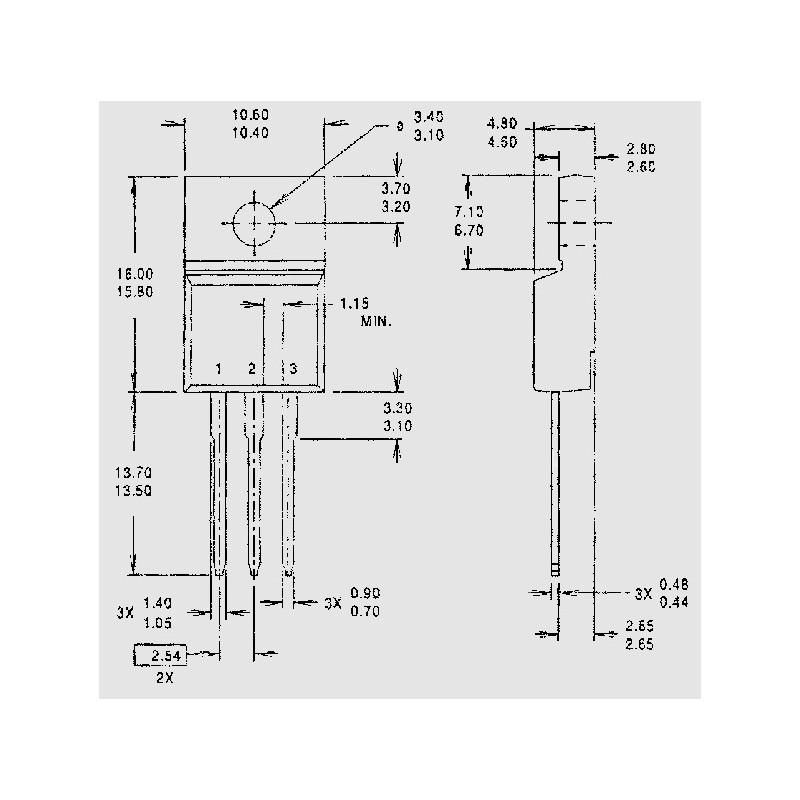
Case TO220-Fullpak
Max. drain-source voltage [V] 400
Max. drain-source on-resistance [Ω] 0,55
Turn-on delay time [ns] 14
Max. continuous drain current TC = 25°C [A] 5,4
Min. gate threshold voltage [V] 2
Turn-off delay time [ns] 54
Data Sheet

Unit price

0,862 €

Stock: 550
Further delivery:
CW 17/2027

Minimum order quantity 25 units or
multiples of 25.