Manufacturers

AZ832-2C-12DE

Zettler PCB relay series AZ832

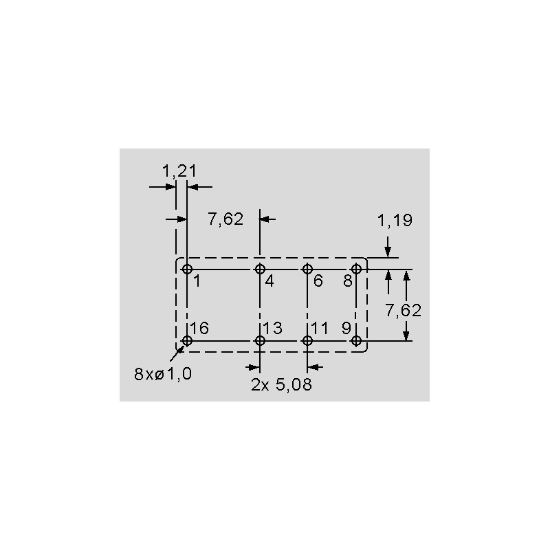
  • relays in a DIL housing (20,2x10x10,65mm)
  • bistable (AZ832P_) or single side stable (AZ832) types available
  • with 2 changeover contacts and an epoxy sealing
  • comply with FCC Part 68.302 1500V lightning surge and FCC Part 68.304 1000V dielectric
  • suitable for a standard 16 pin IC socket
  • contact material: AuAg with PdAg
  • switching current: 3A

AZ832-2C-12DE

106892 AZ832-2C-12DE AZ832-2C-12DE Zettler PCB relay series AZ832. relays in a DIL housing (20,2x10x10,65mm) bistable (AZ832P_) or single side stable (AZ832) types available with 2 changeover contacts and an epoxy sealing comply with FCC Part 68.302 1500V lightning surge and FCC Part 68.304 1000V dielectric suitable for a standard 16 pin IC socket contact material: AuAg with PdAg switching current: 3A

Specifications

manufacturer
Manufacturer's name AZ832-2C-12DE
Nominal voltage [V DC] 12
Coil resistance [Ω] 720
Min. operating voltage [V DC] 9,6
Max. operating voltage [V DC] 25,5
Nominal capacity [mW] 282
Data Sheet

Unit price

1,39 €

Stock: 1705
Further delivery:
CW 15/2026

Minimum order quantity 5 units or
multiples of 5.